

。 查找
(可选)对于引脚数,单击“拾取”并绘制一条栏选线,以显示适当的连接器长度。
预览图像将更新,以反映您对连接器显示选项的更改。
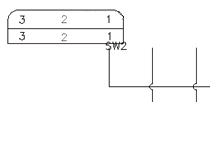
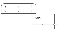
显示连接器的预览轮廓,以便将其放置在图形上。显示连接器插头侧的圆角。“x”表示连接器的插入点,箭头表示插头侧导线连接方向。
如果您在“自定义引脚分隔符/打断符”对话框中选择了允许使用分隔符/打断符,请单击“立即打断符号”以打断连接器并显示“连接器布局”对话框以定义如何将剩余引脚插入到图形中。


。 查找
如果您选择“是”(默认选项),则属性文字方向并不随连接器旋转而旋转。
连接器自动旋转 90 度。
例如:保留属性方向 = 是
![]() |
![]() |
![]() |
![]() |
|
原始 |
第一次旋转 |
第二次旋转 |
第三次旋转 |
例如:保留属性方向 = 否
![]() |
![]() |
![]() |
![]() |
|
原始 |
第一次旋转 |
第二次旋转 |
第三次旋转 |


。 查找
连接器将根据其原始方向自动反转。


。 查找
技巧与提示


。 查找


。 查找
下一个可用的引脚基于现有引脚和与选定连接器关联的可选引脚列表。在项目数据库中查询主项符号上定义的 PINLIST 值,以确定连接器元件上的下一个可用引脚号。 此操作将在整个项目中进行检查,以找到用于主连接器符号和所有辅连接器符号的引脚号。如果未定义 PINLIST 值,则使用下一个可用的连续引脚号(基于现有的引脚)。引脚可以指定为数字、字母或两者的组合。
技巧与提示


。 查找
连接器块上的引脚号属性将会消失。此属性以及关联的接线和描述属性不会立即从连接器删除。它们会被重命名,从而被正确忽略。如果随后拉伸或拆分连接器,则将从连接器块实例上清理这些删除的引脚属性。


。 查找
将在选定的引脚号周围绘制临时图形,指明该引脚号已包含在“替换”列表中。
在两个选择之间替换连接器引脚。


。 查找
引脚沿连接器的中心线轴重新定位,即使您拾取的点远离该连接器一端。也可以指定当前连接器壳末端外的位置,然后使用“拉伸连接器”工具展开该壳,以封闭这些引脚。


。 查找