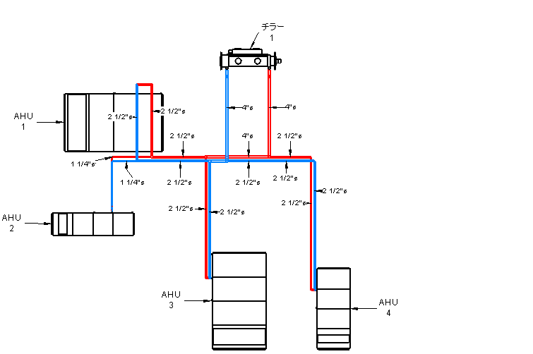
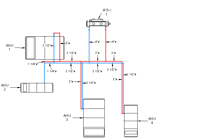
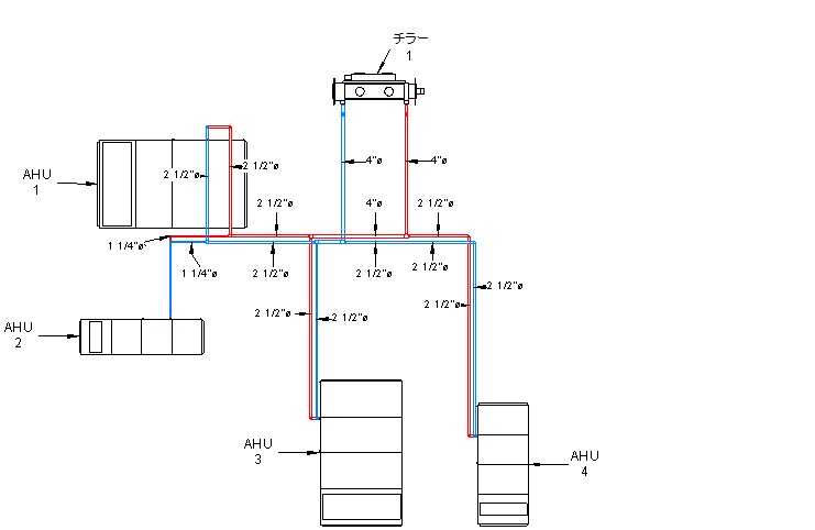
圧力供給システムのサイズ設定の例
次の図に、さまざまな圧力配管のサイズ設定方法の結果を示します。
摩擦のみ
サイズ設定前
サイズ設定後
速度のみ
サイズ設定前
サイズ設定後
摩擦と速度
サイズ設定前
サイズ設定後
コネクタまたは計算の大きい方
サイズ設定前
サイズ設定後
コネクタを配管呼び径に一致
サイズ設定前
サイズ設定後
親トピック:
配管のサイズ設定の例
関連概念
配管システムのプロパティ
配管インスタンス プロパティ
配管のサイズ設定方法
圧力損失の計算について