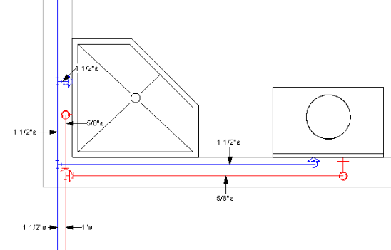
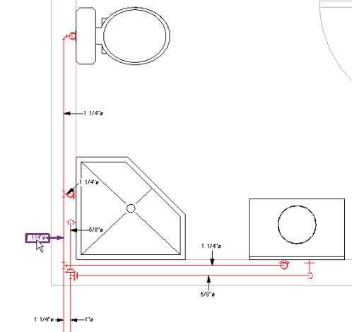
Na poniższych obrazach są pokazane wyniki różnych metod wymiarowania rur.

Przed rozpoczęciem wymiarowania

Po zakończeniu wymiarowania

Przed rozpoczęciem wymiarowania

Po zakończeniu wymiarowania

Przed rozpoczęciem wymiarowania

Po zakończeniu wymiarowania

Przed rozpoczęciem wymiarowania

Po zakończeniu wymiarowania

Przed rozpoczęciem wymiarowania

Po zakończeniu wymiarowania

Pojedyncza rura

Schemat przepływu