在本活动中,您将放置创建电子器件元件所需的元件。这是启动双 LED 闪烁器的 PCB 原理图时所需的。

在原理图设计中添加的元件。
确认在新原理图设计中添加并启用了 Tutorial-Fusion 库。

确认“栅格尺寸”为 0.1 英寸。
单击“设计”>“视图”>“栅格设置”
。
确认“尺寸”为 0.1 英寸或等效值。
如果未进行任何更改,请单击“取消”;或者如果已进行更改,请单击“确定”。
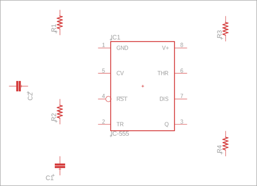
将计时器 LM555N 添加到原理图。
单击“设计”>“放置”>**“放置元件”**
。
在“过滤器搜索”框中输入 555。
在 Tutorial-Fusion 库中,单击 LM555N 旁边的箭头以展开变体列表。
选择 D0008A 变体。

双击 LM555N 元件或将该元件从“放置元件”面板拖放到画布中。按 Enter 键也会让您进入放置模式。
使用“添加”对话框中的控件或通过以下方式正确定向元件:
在屏幕上找到原点符号,并将元件放置在正坐标空间中。建议将所有元件放置在正坐标空间中。

单击“完成”或按 Esc 键以退出放置模式并返回到“放置元件”面板。
将四个 R-US_CHIP-0805 电阻器放置到原理图中。
清除“搜索”框的内容,然后输入 R-US。
单击变体下拉列表,选择 CHIP-0805,然后双击行并在画布上移动指针。
单击鼠标右键以将电阻器符号旋转 90 度。
将四个电阻器放置在如下图所示的位置。

单击“完成”或按 Esc 键以退出放置模式并返回到“放置元件”面板。
将两个 C-CHIP-0805 电容器添加到原理图。
在 Tutorial-Fusion 库中,找到 C 元件。
从变体下拉列表中选择“CHIP-0805(2012-METRIC)”。
双击该行,然后在画布上移动指针。
将两个电容器放置在如下图所示的位置。

单击“完成”或按 Esc 键以退出放置模式并返回到“放置元件”面板。
将一个 LED_CHIP RED-2012 LED 添加到原理图。
在 Tutorial-Fusion 库中,找到 LED_CHIP 元件。
从变体下拉列表中选择“RED-2012”。
双击该行,然后在画布上移动指针。
将 LED 放置在如下图所示的位置。

单击“完成”或按 Esc 键以退出并返回到“放置元件”面板。
将一个 LED_CHIP_BLUE_ LED 添加到原理图。
向下滚动 LED_CHIP 变体列表,然后选择 BLUE-2012 元件。
双击该行,然后在画布上移动指针。
将 LED 放置在如下图所示的位置。

单击“完成”或按 Esc 键以退出命令。
在本活动中,您添加了双 LED 闪烁器设计所需的九个元件。