教程:创建原理图设计

电子器件设计流程分为两个不同的设计阶段:原理图设计和印制电路板 (PCB) 布局。原理图设计用作电路的逻辑表示。它定义了所有元件连接在一起的方式,但不定义元件在电路板上的物理放置方式。

在本教程中,您将学习该过程的原理图设计部分,并将:

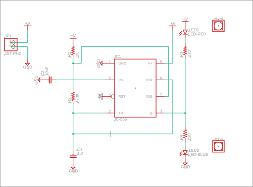
电路原理图

双 LED 闪烁器电路的原理图设计。

前提条件