In dieser Aktivität verlegen Sie die Linien für die Schaltkreise auf der Leiterplatte. Es gibt viele Möglichkeiten für die Verlegung. Zunächst zeigen wir Ihnen, wie die manuelle Verlegung abläuft. Anschließend werden wir automatische Werkzeuge nutzen. Diese Aktivität ist wichtig, um die verschiedenen Verlegemethoden zu verstehen und den Leiterplattenentwurf effizient und funktional zu gestalten.

Manuelles Erstellen von Verlegungen im Arbeitsbereich Leiterplatte
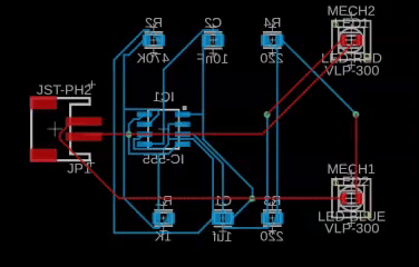
Optimieren Sie die Position der Luftlinien.
Klicken Sie auf Konstruktion > Polygon > Polygonguss
.
Dieses Werkzeug optimiert die Verlegung der Luftlinien (gelbe Linien).
Erstellen Sie manuelle Verlegungen.
Klicken Sie auf Konstruktion > Verlegen > Manuell verlegen
.
Klicken Sie auf einen der Pins für LED1.
Ziehen Sie den Mauszeiger, und beobachten Sie, wie bei der Verlegung eine rote Linie angezeigt wird und wie die Luftlinie Sie zum Pin am Ende der Verlegung führt.
Klicken Sie auf den Pin der zweiten Komponente am Ende der gelben Luftlinie.
Fahren Sie mit dem Erstellen von drei oder vier weiteren Verlegungen fort.

Verlegen Sie die Signallinien automatisch.
Klicken Sie auf Konstruktion > Verlegung aufheben > Alle Verlegungen aufheben
, um die manuell erstellten Verlegungen zu löschen.
Klicken Sie auf Konstruktion > Schnellverlegung > AutoRouter
.

Legen Sie Leistung auf Hoch fest. Dabei wird mehr CPU-Leistung verwendet, die Verarbeitung ist für dieses Design aber sehr schnell.
Klicken Sie auf Weiter.
Klicken Sie im Dialogfeld Routing-Varianten auf Starten.
Verwenden Sie die Pfeiltasten, um einen Bildlauf durch die Routing-Varianten durchzuführen.
Wählen Sie eine Verlegung aus, die zu 100 % optimiert ist. In der Regel sind weniger Vias am besten.

Wählen Sie in der Liste die Verlegung aus, die Ihnen am besten gefällt, und klicken Sie auf Job beenden, um diese Verlegung zu platzieren.
In dieser Aktivität haben Sie die Linien auf der Leiterplatte verlegt. Zunächst haben Sie die Verbindungen manuell verlegt. Dann haben Sie einen automatisierten Prozess angewendet, der Ihnen mehrere Optionen bot, und Sie haben die Option ausgewählt, die Ihnen am besten gefiel.