En esta actividad, enrutará los conductores de los circuitos de la placa de circuitos impresos. Existen muchas formas de realizar los enrutamientos. Comenzaremos mostrando cómo enrutar manualmente la placa de circuitos impresos, seguido de herramientas automáticas. Esta actividad es esencial para comprender los diferentes métodos de enrutamiento y hacer que el diseño de PCB sea eficiente y funcional.

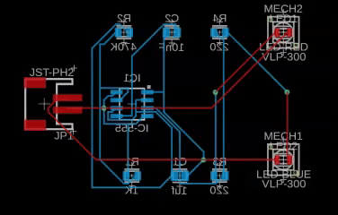
Creación manual de enrutamientos en el espacio de trabajo PCB.
Optimice la ubicación de los conductores de aire.
Haga clic en Diseño > Polígono > Verter polígonos
.
Esta herramienta optimiza el enrutamiento de los conductores de aire (líneas amarillas).
Cree enrutamientos manualmente.
Haga clic en Diseño > Enrutamiento > Enrutamiento manual
.
Haga clic en uno de los pasadores de LED1.
Arrastre el puntero y observe cómo una línea roja muestra dónde se crea un enrutamiento y cómo el conductor de aire le guía al pasador al final del enrutamiento.
Haga clic en el pasador del segundo componente al final del conductor de aire amarillo.
Continúe creando otras 3 o 4 enrutamientos.

Enrutar automáticamente los cables de señal.
Haga clic en Diseño > Anular enrutamiento > Anular enrutamiento de todo
para eliminar los enrutamientos que ha creado manualmente.
Haga clic en Diseño > Enrutamiento rápido > Enrutamiento automático
.

Establezca el Esfuerzo en Alto. Esto utiliza más CPU, pero será muy rápido para este diseño.
Haga clic en Continuar.
Haga clic en Iniciar en el cuadro de diálogo Variantes de enrutamiento.
Utilice las teclas de flecha para desplazarse por las variantes de enrutamiento.
Seleccione un enrutamiento optimizado al 100 %. Normalmente, cuantas menos vías, mejor.

Seleccione el enrutamiento que más le guste en la lista y haga clic en Terminar trabajo para insertar dicho enrutamiento.
En esta actividad, ha enrutado los cables en la placa de circuitos impresos. Inicialmente, enrutó manualmente las conexiones. Después, utilizó un proceso automatizado que le dio varias opciones y seleccionó la que más le gustó.