En esta actividad, conectará todos los componentes con conductores para hacer circuitos completos y adecuados.

Creación de redes entre componentes en el diseño esquemático.
Haga clic en Diseñar > icono Conectar > red
.
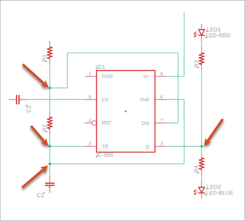
Haga clic en el pasador inferior de la resistencia 1 (R1) para iniciar una conexión. Hay un círculo verde que indicará que se encuentra en el punto de conexión del pasador.

Mueva el puntero al pasador superior de la resistencia 2 (R2) y haga clic cuando vea el círculo verde para crear la conexión. Observe que la red se muestra como una línea verde que sigue al puntero desde el pasador.

Añada las redes restantes como se muestra en la imagen siguiente. Confirme que en las cuatro ubicaciones indicadas por flechas haya un círculo verde sólido que indique la unión de las redes. Estos se crean automáticamente cuando termina una red en otra ya existente.

En esta actividad, ha definido cómo se conectan entre sí los componentes de la placa de circuito.

Circuito conectado con cables en el diseño esquemático.