En esta actividad, se añaden pasadores de potencia, voltaje, conexión a tierra y terminal. Aunque los componentes de la placa están conectados en el esquema, aún no hay alimentación. Los pasadores de los terminales suministrarán energía de una batería a la placa, lo que permitirá que el circuito funcione correctamente.

Circuito sin alimentación, conexión a tierra ni voltaje en el diseño esquemático.
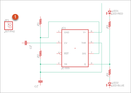
Añada el conector de la batería JSTPH2 al esquema.
Haga clic en Diseño > Insertar > Insertar componente
.
En la biblioteca Aprendizaje: Fusion, haga doble clic en el componente JSTPH2 y desplace el puntero en el lienzo.
Coloque el conector de la batería en la ubicación que se muestra en la imagen siguiente.

Haga clic en Terminar o pulse ESC para salir del modo de inserción y volver al panel Insertar componentes.
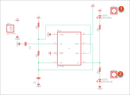
Añada cinco conexiones a tierra al esquema.
En la biblioteca Aprendizaje: Fusion, haga doble clic en GND y desplace el puntero en el lienzo.
Coloque las cinco conexiones a tierra en las ubicaciones que se muestran en la imagen siguiente. Gire el símbolo según sea necesario haciendo clic con el botón derecho.

Después de la primera colocación, haga clic en Aceptar para aceptar el nombre GND en el cuadro de diálogo Valor.
Haga clic en Terminar o pulse ESC para salir del modo de inserción y volver al panel Insertar componentes.
Añada cinco símbolos de voltaje al esquema.
En la biblioteca Aprendizaje: Fusion, haga doble clic en +V y desplace el puntero en el lienzo.
Coloque los cinco símbolos de voltaje en las ubicaciones que se muestran en la imagen siguiente. Gire el símbolo según sea necesario haciendo clic con el botón derecho.
Con la primera inserción, haga clic en Aceptar para aceptar el nombre +V en el cuadro de diálogo Valor.
Cuando se le pida cambiar el nombre de una red, acepte el cambio.

Haga clic en Terminar o pulse ESC para salir del modo de inserción y volver al panel Insertar componentes.
Añada dos tubos de luz al esquema.
En la biblioteca Aprendizaje: Fusion, busque VLP.
Arrastre y suelte VLP-300-R/F en el lienzo.
Coloque los dos tubos de luz en las ubicaciones que se muestran en la figura siguiente.

Haga clic en Terminar o pulse ESC para salir del modo de inserción y volver al panel Insertar componentes.
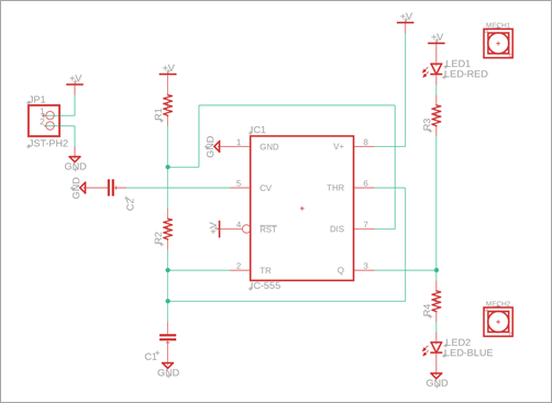
Añada las redes entre los símbolos de pasador, conexión a tierra y voltaje.
Haga clic en Diseñar > icono Conectar > red
.
Haga clic en Terminal 1 para seleccionar el símbolo V+.
Haga clic en Terminal 2 para seleccionar el símbolo GND.

En esta actividad, ha definido cómo el circuito va a obtener alimentación y dónde están el voltaje y las conexiones a tierra.

Circuito terminado en el diseño esquemático.