In questa attività si apprenderà come effettuare le operazioni seguenti:
Salvare il disegno.
Con la progettazione Connector_Joint_Drawing aperta, effettuare le seguenti operazioni:
Se il disegno è di sola lettura (indicazione nella barra del titolo), fare clic su File > Salva con nome.

Il comando Salva con nome si trova sotto l'elenco a discesa File.
Nota Anche se un disegno non è di sola lettura, è possibile utilizzare il comando Salva con nome per mantenere la versione originale del disegno.
Facoltativo Creare un nuovo progetto per memorizzare i disegni e i modelli dell'esercitazione. Fare clic su + progetto per eseguire questa operazione, specificare il nome del progetto e premere Enter. Dopo una breve pausa, il nuovo progetto diventa il progetto attivo e sul lato destro della finestra di dialogo Salva viene visualizzato un elenco di file vuoto.
Facoltativo Creare una nuova cartella all'interno del progetto per memorizzare i disegni e i modelli dell'esercitazione. Fare clic su + cartella per eseguire questa operazione, specificare un nome di cartella e premere Enter. Fare doppio clic sulla nuova cartella per impostarla come posizione di salvataggio del file corrente.
Fare clic su Salva.
Avviare il comando Quota.
Il comando Quota consente di creare quote lineari, allineate, angolari, del raggio e del diametro in base alla geometria selezionata in una vista del disegno. Selezionare punti, spigoli o quote esistenti, quindi posizionare la quota sul foglio. Viene automaticamente creato il tipo di quota più appropriato.

Il comando Quota si trova sotto l'elenco a discesa Quota.
Creare la prima quota.
Con l'utensile Quota attivo:

Viene creata una quota lineare.
Creare la seconda quota.
Con l'utensile Quota ancora attivo:

Viene creata una quota diametro.
Creare la terza quota.
Con l'utensile Quota ancora attivo:

Viene creata una quota radiale.
Creare la quarta quota.
Con l'utensile Quota ancora attivo:

Viene creata una quota lineare.
Creare la quinta quota.
Con l'utensile Quota ancora attivo:

Viene creata una quota lineare.
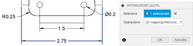
Creare un'interruzione quota.
Il comando Interruzione quota consente di creare un'interruzione in una linea di quota o in una linea direttrice nel punto in cui interseca un'altra linea di quota o linea direttrice.
Dalla barra degli strumenti Quote, selezionare Interruzione quota.

Il comando Interruzione quota si trova sotto l'elenco a discesa Quota.
Selezionare l'ultima quota lineare creata (2.75).

La finestra di dialogo Interruzione quota e la quota selezionata.
Fare clic su OK.

Viene creata l'interruzione quota.
Questa è la vista dall'alto con tutte le quote e l'interruzione quota.

Tutte le quote in posizione.
In questa attività si è appreso come effettuare le operazioni seguenti: