In questa attività si apprenderà come eseguire la trasformazione in pista dei fili per i circuiti sulla scheda PCB. Esistono molti modi per eseguire le trasformazioni in pista. Si inizierà illustrando come trasformare in pista manualmente il PCB seguito dall'utilizzo di utensili automatici. Questa attività è essenziale per comprendere i diversi metodi di trasformazione in pista e rendere efficiente e funzionale la progettazione di schede PCB.

Creazione manuale di trasformazioni in pista nell'area di lavoro PCB.
Ottimizzare la posizione degli airwire.
Fare clic su Progettazione > Poligono > Pour poligono
.
Questo utensile ottimizza la trasformazione in pista degli airwire (linee gialle).
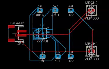
Creare trasformazioni in pista manualmente.
Fare clic su Progettazione > Trasforma in pista > Trasformazione in pista manuale
.
Fare clic su uno dei piedini per LED1.
Trascinare il puntatore del mouse. Una linea rossa mostra dove viene creata una trasformazione in pista e in che modo l'airwire guida l'utente verso il piedino alla fine della trasformazione in pista.
Fare clic sul piedino del secondo componente all'estremità dell'airwire di colore giallo.
Continuare a creare altre 3 o 4 trasformazioni in pista.

Trasformazione in pista automatica dei fili segnale.
Fare clic su Progettazione > Annulla trasformazione in pista > Annulla trasformazione in pista - Tutto
per eliminare le trasformazioni in pista create manualmente.
Fare clic su Progettazione > Trasformazione in pista rapida > Autorouter
.

Impostare Sforzo su Alto. Questa opzione utilizza più CPU ma sarà molto veloce per questa progettazione.
Fare clic su Continua.
Fare clic su Avvia nella finestra di dialogo Varianti di percorso.
Utilizzare i tasti freccia per scorrere le varianti di percorso.
Selezionare una trasformazione in pista ottimizzata al 100%. In genere, è preferibile avere meno vie.

Selezionare la trasformazione in pista preferita nell'elenco e fare clic su Termina lavoro per posizionarla.
In questa attività si appreso come eseguire la trasformazione in pista di fili sul PCB. Inizialmente, le connessioni sono state trasformate in pista manualmente. Quindi, è stato utilizzato un processo automatico che ha fornito diverse opzioni ed è stato selezionato quello più adatto.