In questa attività si apprenderà come collegare tutti i componenti con fili per creare circuiti completi e appropriati.

Creazione di reti tra componenti nella progettazione schematica.
Fare clic su Progettazione > Connetti > Rete
.
Fare clic sul piedino inferiore del resistore 1 (R1) per avviare una connessione. Un cerchio verde indica che ci si trova in corrispondenza del punto di connessione del piedino.

Spostare il puntatore del mouse sul piedino superiore del resistore 2 (R2) e fare clic quando viene visualizzato il cerchio verde per creare la connessione. Osservare che la rete viene visualizzata come una linea verde che segue il puntatore dal piedino.

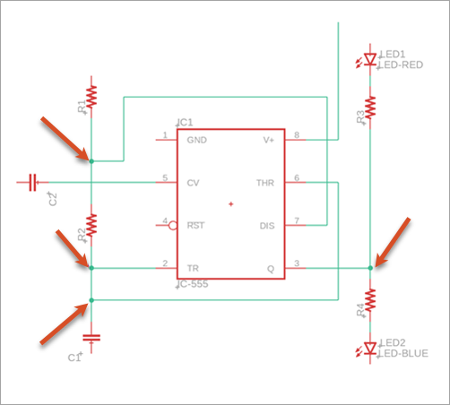
Aggiungere le reti rimanenti come illustrato nella figura seguente. Accertarsi che in corrispondenza delle quattro posizioni indicate dalle frecce sia presente un cerchio verde uniforme che indica una giunzione nelle reti. Queste vengono create automaticamente quando si termina una rete su una rete esistente.

In questa attività si è appreso in che modo i componenti nella scheda del circuito sono connessi tra di loro.

Circuito connesso ai fili nella progettazione schematica.