In questa attività si apprenderà come aggiungere piedini di alimentazione, tensione, terra e terminale. Anche se i componenti sulla scheda sono cablati insieme sullo schema non sono ancora alimentati. I piedini dei terminali forniranno alimentazione da una batteria alla scheda, consentendo il corretto funzionamento del circuito.

Circuito senza alimentazione, terra e tensione nella progettazione schematica.
Aggiungere allo schema il connettore della batteria, JSTPH2.
Fare clic su Progettazione > Posiziona > Posiziona componente ![]()
Nella libreria Tutorial - Fusion, fare doppio clic sul componente JSTPH2 e spostare il puntatore del mouse nell'area grafica.
Collocare il connettore della batteria nella posizione illustrata nella figura seguente.

Fare clic su Fatto o premere ESC per uscire dalla modalità di posizionamento e tornare al gruppo Posiziona componenti.
Aggiungere cinque collegamenti di terra allo schema.
Nella libreria Tutorial - Fusion, fare doppio clic su GND e spostare il puntatore sull'area grafica.
Posizionare i cinque collegamenti di terra nelle posizioni mostrate nella figura seguente. Ruotare il simbolo in base alle esigenze facendo clic con il pulsante destro del mouse.

Dopo il primo posizionamento, fare clic su OK per accettare il nome GND nella finestra di dialogo Valore.
Fare clic su Fatto o premere ESC per uscire dalla modalità di posizionamento e tornare al gruppo Posiziona componenti.
Aggiungere cinque simboli di tensione allo schema.
Nella libreria Tutorial - Fusion, fare doppio clic su +V e spostare il puntatore del mouse sulla area grafica.
Collocare i cinque simboli di tensione nelle posizioni mostrate nella figura sottostante. Ruotare il simbolo in base alle esigenze facendo clic con il pulsante destro del mouse.
Con il primo posizionamento, fare clic su OK per accettare il nome +V nella finestra di dialogo Valore.

Fare clic su Fatto o premere ESC per uscire dalla modalità di posizionamento e tornare al gruppo Posiziona componenti.
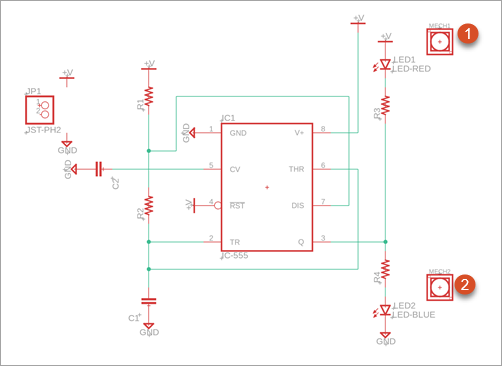
Aggiungere due light pipe allo schema.
Nella libreria Tutorial - Fusion, cercare VLP.
Trascinare e rilasciare VLP-300-R/F nell'area grafica.
Collocare le due light pipe nelle posizioni mostrate nella figura seguente.

Fare clic su Fatto o premere ESC per uscire dalla modalità di posizionamento e tornare al gruppo Posiziona componenti.
Aggiungere le reti tra il simbolo del piedino, della messa a terra e della tensione.
Fare clic su Progettazione > Connetti > Rete
.
Fare clic su Terminale 1 al simbolo V+.
Fare clic su Terminale 2 al simbolo GND.

In questa attività si è appreso come definire il modo in cui il circuito verrà alimentato e la posizione di tensione e collegamenti di terra.

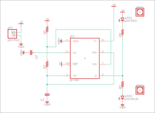
Circuito completato nella progettazione schematica.