このアクティビティの内容:
詳細ビューを配置します。
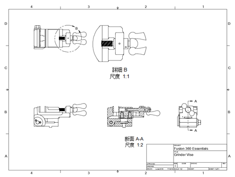
詳細ビューは、拡大尺度でビューの特定の部分を表示する投影ビューです。
[作成]ツールバーから、[詳細ビュー]を選択します。

[詳細ビュー]コマンドは、[作成]ドロップダウン リストにあります。**
上面投影ビューを親ビューとして選択します。
ネックのスナップ点を詳細境界の中心点として使用します(下図を参照)。
もう一度クリックして、詳細ビュー境界のサイズを指定します。 小さなノブ全体をビュー境界に含める必要があります(下図を参照)。

詳細ビュー境界。**
クリックして、断面ビューの上にビューを配置します。
[OK]をクリックして詳細ビューを生成します。

ベース ビュー、投影ビュー、断面ビュー、詳細ビューを含む図面。**
上面投影ビューと詳細ビューのスタイルを変更します。
上面投影ビューの選択境界の内側で任意の場所をダブルクリックして、上面投影ビューをアクティブにします。
[図面ビュー]ダイアログで、[スタイル]オプションから[表示エッジと隠線エッジ]を選択して、このビューで隠線を表示します。

[図面ビュー]ダイアログ。**
[閉じる]をクリックして、図面ビューの変更を確定します。

ベース ビュー、投影ビュー、断面ビュー、詳細ビューを含む図面。**
このアクティビティの内容: