Review and modify the values of section shape dimension parameters of cold-formed steel structural framing elements.
These type properties are created from the Section Shape family category parameter of the element.
| Section shape | Available shape dimension parameters |
|---|---|
Rectangular HSS (cold-formed steel)
![]() |
B. Width: the external width of the section shape. H. Height: the external height of the section shape. T. Wall Design Thickness: the perpendicular design thickness between the inner and outer surface of a section shape. t. Wall Nominal Thickness: the average perpendicular distance between the inner and outer surface of the section shape. r1. Inner Fillet: the radius of the inner corner fillet of a rectangular hollow structural section shape. r2. Outer Fillet: the radius of the outer corner fillet of a rectangular hollow structural section shape. y. Centroid Horizontal: the distance from the centroid of the section shape to the left extremities along the horizontal axis. z. Centroid Vertical: the distance from the centroid of the section shape to the lower extremities along the vertical axis. |
Round HSS (cold-formed steel)
![]() |
D. Diameter: the external diameter of the round section shape. T. Wall Design Thickness: the perpendicular design thickness between the inner and outer surface of a section shape. t. Wall Nominal Thickness: the average perpendicular distance between the inner and outer surface of the section shape. y. Centroid Horizontal: the distance from the centroid of the section shape to the left extremities along the horizontal axis. z. Centroid Vertical: the distance from the centroid of the section shape to the lower extremities along the vertical axis. |
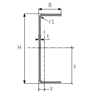
C Profile
![]() |
B. Width: the external width of the section shape. H. Height: the external height of the section shape. T. Wall Design Thickness: the perpendicular design thickness between the inner and outer surface of a section shape. t. Wall Nominal Thickness: the average perpendicular distance between the inner and outer surface of the section shape. r1. Inner Fillet: the radius of the inner corner fillet of a bend in a cold-formed steel section shape. y. Centroid Horizontal: the distance from the centroid of the section shape to the left extremities along the horizontal axis. z. Centroid Vertical: the distance from the centroid of the section shape to the lower extremities along the vertical axis. |
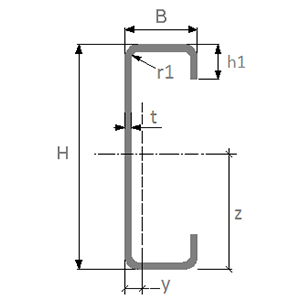
C Profile with Fold
![]() |
B. Width: the external width of the section shape. H. Height: the external height of the section shape. h1. Lip Length: the distance between the exterior surface of the section shape and the end of the lip segment. b1. Fold Length: the distance between the exterior surface of the lip segment and the end of the fold segment. T. Wall Design Thickness: the perpendicular design thickness between the inner and outer surface of a section shape. t. Wall Nominal Thickness: the average perpendicular distance between the inner and outer surface of the section shape. r1. Inner Fillet: the radius of the inner corner fillet of a bend in a cold-formed steel section shape. y. Centroid Horizontal: the distance from the centroid of the section shape to the left extremities along the horizontal axis. z. Centroid Vertical: the distance from the centroid of the section shape to the lower extremities along the vertical axis. |
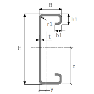
C Profile with Lips
![]() |
B. Width: the external width of the section shape. H. Height: the external height of the section shape. h1. Lip Length: the distance between the exterior surface of the section shape and the end of the lip segment. T. Wall Design Thickness: the perpendicular design thickness between the inner and outer surface of a section shape. t. Wall Nominal Thickness: the average perpendicular distance between the inner and outer surface of the section shape. r1. Inner Fillet: the radius of the inner corner fillet of a bend in a cold-formed steel section shape. y. Centroid Horizontal: the distance from the centroid of the section shape to the left extremities along the horizontal axis. z. Centroid Vertical: the distance from the centroid of the section shape to the lower extremities along the vertical axis. |
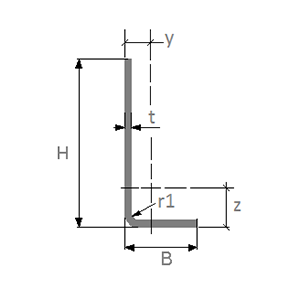
L Profile
![]() |
B. Width: the external width of the section shape. H. Height: the external height of the section shape. T. Wall Design Thickness: the perpendicular design thickness between the inner and outer surface of a section shape. t. Wall Nominal Thickness: the average perpendicular distance between the inner and outer surface of the section shape. r1. Inner Fillet: the radius of the inner corner fillet of a bend in a cold-formed steel section shape. y. Centroid Horizontal: the distance from the centroid of the section shape to the left extremities along the horizontal axis. z. Centroid Vertical: the distance from the centroid of the section shape to the lower extremities along the vertical axis. |
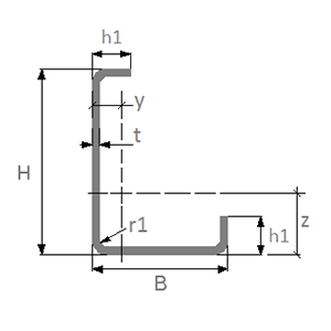
L Profile with Lips
![]() |
B. Width: the external width of the section shape. H. Height: the external height of the section shape. h1. Lip Length: the distance between the exterior surface of the section shape and the end of the lip segment. T. Wall Design Thickness: the perpendicular design thickness between the inner and outer surface of a section shape. t. Wall Nominal Thickness: the average perpendicular distance between the inner and outer surface of the section shape. r1. Inner Fillet: the radius of the inner corner fillet of a bend in a cold-formed steel section shape. y. Centroid Horizontal: the distance from the centroid of the section shape to the left extremities along the horizontal axis. z. Centroid Vertical: the distance from the centroid of the section shape to the lower extremities along the vertical axis. |
Sigma Profile
![]() |
B. Width: the external width of the section shape. H. Height: the external height of the section shape. b2. Bend Width: the distance between the left extremities of the section shape to the exterior surface of the middle bend segment. h2. Middle Bend Length: the length of the interior surface of the middle bend segment. h3. Top Bend Length: The distance between the exterior surface of the top of the section shape and the end of the top bend segment. T. Wall Design Thickness: the perpendicular design thickness between the inner and outer surface of a section shape. t. Wall Nominal Thickness: the average perpendicular distance between the inner and outer surface of the section shape. r1. Inner Fillet: the radius of the inner corner fillet of a bend in a cold-formed steel section shape. y. Centroid Horizontal: the distance from the centroid of the section shape to the left extremities along the horizontal axis. z. Centroid Vertical: the distance from the centroid of the section shape to the lower extremities along the vertical axis. |
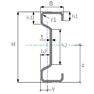
Sigma Profile with Fold
![]() |
B. Width: the external width of the section shape. H. Height: the external height of the section shape. b1. Fold Length: the distance between the exterior surface of the lip segment and the end of the fold segment. h1. Lip Length: the distance between the exterior surface of the section shape and the end of the lip segment. b2. Bend Width: the distance between the left extremities of the section shape to the exterior surface of the middle bend segment. h2. Middle Bend Length: the length of the interior surface of the middle bend segment. h3. Top Bend Length: The distance between the exterior surface of the top of the section shape and the end of the top bend segment. T. Wall Design Thickness: the perpendicular design thickness between the inner and outer surface of a section shape. t. Wall Nominal Thickness: the average perpendicular distance between the inner and outer surface of the section shape. r1. Inner Fillet: the radius of the inner corner fillet of a bend in a cold-formed steel section shape. y. Centroid Horizontal: the distance from the centroid of the section shape to the left extremities along the horizontal axis. z. Centroid Vertical: the distance from the centroid of the section shape to the lower extremities along the vertical axis. |
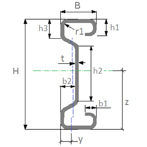
Sigma Profile with Lips
![]() |
B. Width: the external width of the section shape. H. Height: the external height of the section shape. b2. Bend Width: the distance between the left extremities of the section shape to the exterior surface of the middle bend segment. h1. Lip Length: the distance between the exterior surface of the section shape and the end of the lip segment. h2. Middle Bend Length: the length of the interior surface of the middle bend segment. h3. Top Bend Length: The distance between the exterior surface of the top of the section shape and the end of the top bend segment. T. Wall Design Thickness: the perpendicular design thickness between the inner and outer surface of a section shape. t. Wall Nominal Thickness: the average perpendicular distance between the inner and outer surface of the section shape. r1. Inner Fillet: the radius of the inner corner fillet of a bend in a cold-formed steel section shape. y. Centroid Horizontal: the distance from the centroid of the section shape to the left extremities along the horizontal axis. z. Centroid Vertical: the distance from the centroid of the section shape to the lower extremities along the vertical axis. |
Z Profile
![]() |
B. Width: the external width of the section shape. H. Height: the external height of the section shape. b1. Bottom Flange Length: the distance between the interior surface of the section shape and the end of the bottom flange segment. T. Wall Design Thickness: the perpendicular design thickness between the inner and outer surface of a section shape. t. Wall Nominal Thickness: the average perpendicular distance between the inner and outer surface of the section shape. r1. Inner Fillet: the radius of the inner corner fillet of a bend in a cold-formed steel section shape. y. Centroid Horizontal: the distance from the centroid of the section shape to the left extremities along the horizontal axis. z. Centroid Vertical: the distance from the centroid of the section shape to the lower extremities along the vertical axis. |
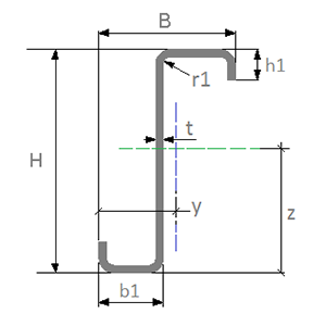
Z Profile with Lips
![]() |
B. Width: the external width of the section shape. H. Height: the external height of the section shape. b1. Bottom Flange Length: the distance between the interior surface of the section shape and the end of the bottom flange segment. h1. Lip Length: the distance between the exterior surface of the section shape and the end of the lip segment. T. Wall Design Thickness: the perpendicular design thickness between the inner and outer surface of a section shape. t. Wall Nominal Thickness: the average perpendicular distance between the inner and outer surface of the section shape. r1. Inner Fillet: the radius of the inner corner fillet of a bend in a cold-formed steel section shape. y. Centroid Horizontal: the distance from the centroid of the section shape to the left extremities along the horizontal axis. z. Centroid Vertical: the distance from the centroid of the section shape to the lower extremities along the vertical axis. |












