查看和修改其他钢结构框架图元的剖面形状尺寸标注参数值。
这些属性创建自图元的“剖面形状”族类别参数。
| 剖面形状 | 可用的形状尺寸标注参数 | 
|---|---|
| 矩形栏  | B. 宽度:剖面形状的外部宽度。 H. 高度:剖面形状的外部高度。 y. 质心水平:沿水平轴从剖面形状质心到左端的距离。 z. 质心垂直:沿垂直轴从剖面形状质心到下端的距离。 alpha。 主轴角度:主轴和横截面参照平面之间的旋转角度。 这是作为“结构分析”族参数列出的。 | 
| 圆形栏  | D. 直径:圆形剖面形状的外部直径。 y. 质心水平:沿水平轴从剖面形状质心到左端的距离。 z. 质心垂直:沿垂直轴从剖面形状质心到下端的距离。 alpha。 主轴角度:主轴和横截面参照平面之间的旋转角度。 这是作为“结构分析”族参数列出的。 | 
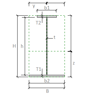
| 工字型焊接(堞形和焊接钢)  | B. 宽度:剖面形状的外部宽度。 H. 高度:剖面形状的外部高度。 T2. 顶部翼缘厚度:堞形或焊接图元剖面形状中的顶部翼缘的外表面之间的距离。 b1. 顶部翼缘宽度:堞形或焊接图元剖面形状中的顶部翼缘的外部宽度。 T1. 底部翼缘厚度:堞形或焊接图元剖面形状中的底部翼缘的外表面之间的距离。 b2. 底部翼缘宽度:堞形或焊接图元剖面形状中的底部翼缘的外部宽度。 t. 腹杆厚度:剖面形状中的腹杆的外表面之间的距离。 h. 腹杆高度:剖面形状中的翼缘之间的距离(沿腹杆)。 y. 质心水平:沿水平轴从剖面形状质心到左端的距离。 z. 质心垂直:沿垂直轴从剖面形状质心到下端的距离。 alpha。 主轴角度:主轴和横截面参照平面之间的旋转角度。 这是作为“结构分析”族参数列出的。 |