Platzieren von Verbindungsmitteln

Gestoßene oder benachbarte Bewehrungsexemplare können durch Muffen verbunden werden.

Video: Platzieren von Verbindungsmitteln

  1. Klicken Sie auf Registerkarte Ingenieurbau Gruppe Bewehrung (Verbindungsmittel).
  2. Klicken Sie auf die Option zum Platzieren der Muffe:
    • Ändern | Registerkarte Verbindungsmittel einfügen Gruppe Platzierungsoptionen (An Stabende platzieren)
    • Ändern | Registerkarte Verbindungsmittel einfügen Gruppe Platzierungsoptionen (Zwischen zwei Stäben platzieren)
  3. Wählen Sie in der Typenwahl am oberen Rand der Eigenschaftenpalette den benötigten Verbindungsmitteltyp. Die Größe des Verbindungsmittels für die Bewehrung wird automatisch an die zu verbindenden Stäbe oder an die Größen angepasst, die Sie für bereits verbundene Stäbe festgelegt haben. Wenn im Projekt kein passender Verbindungsmitteltyp vorhanden ist, wird ein neuer Verbindungsmitteltyp erstellt.
  4. Platzieren Sie die Muffe an der Bewehrung.
    • Um sie am Ende eines Stabs zu platzieren, wählen Sie das gewünschte Stabende aus.
    • Um sie zwischen zwei Stäben zu platzieren, wählen Sie zwei gültige Bewehrungsexemplare aus. Der zweite ausgewählte Stab wird wie für die Muffe benötigt verschoben und gekürzt.
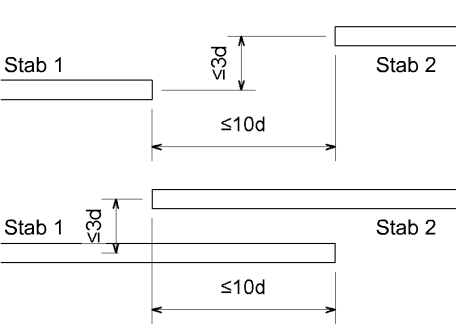
      Damit zwei Bewehrungsexemplare mit einer Muffe verbunden werden können, darf der Abstand zwischen den beiden verbundenen Enden höchstens zehn Stabdurchmesser betragen. Die Stäbe dürfen um nicht mehr als drei Stabdurchmesser gegeneinander versetzt liegen.

      Toleranz für Muffenplatzierung

Platzieren eines Verbindungsmittels zwischen Bogenstäben

Um ein Verbindungsmittel zwischen zwei Bogenstäben zu platzieren, müssen die beiden Stäbe denselben Mittelpunkt haben.


Keine Tangente.

Tangente

Keine Tangente.

Tipp: Um nicht ausgerichtete Stäbe zu verbinden, fügen Sie einem der Stäbe eine Muffe hinzu und ändern die Endenbearbeitung in den anderen Stab, sodass er für die Muffenverbindung gefertigt werden kann.