圖面中的板金註解
如何使用註記和表格加入折彎和沖孔指示。

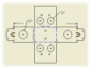
折彎註解
折彎註記可將製造資訊加入至板金折彎中心線。折彎註記與圖面視圖相關聯。
折彎表格列示了板金零件的展開視圖中所有折彎的性質。
折彎標籤可關聯折彎表格中的列與視圖幾何圖形。在圖面中插入折彎表格之後,折彎標籤會自動加入至選取的圖面視圖。依預設,折彎標籤依標註型式進行格式化,並且沒有引線。將折彎標籤文字拖離原始位置以將引線加入至折彎標籤。
注意事項:
- 每個單獨的折彎中心線將視為圖面中單獨的折彎物件 (相對於折彎註記和折彎表格)。在板金模型中,折彎中心線的數量不等同於個別折彎特徵。(輪廓線凸緣、型輥、斷面混成彎板和折邊特徵會在一個作業中產生多個折彎中心線)。
 
- 會將型輥和示意中心線特徵自動收集到任何產生的折彎表格中。
 
- 型輥中心線部會報告 K 係數或方向資訊。
 
- 根據建立過程中套用的屬性,示意中心線可以產生空欄位或在折彎表格或註解中自訂文字字串的格式。
 
- 若要變更折彎 ID 順序,請開啟板金零件、編輯展開圖,並變更「折彎順序」。
 
- 如果已修改折彎順序的順序,任何折彎表格中所產生的折彎 ID 順序均可以要求使用表格編輯功能進行排序。
 
- 折彎表格中的折彎方向與所選視圖中的折彎方向一致。如果選取板金零件檔做為折彎表格的來源,則將在折彎表格中顯示預設折彎方向。若要回復折彎方向,請編輯折彎表格,在「折彎方向」欄上按一下右鍵,並選取「反轉方向」。
 
- 若要修正舊式圖面的折彎方向,請將折彎註記或折彎表格拖曳至新位置。
 
- 折彎表格與圖面視圖不關聯。刪除在建立折彎表格時選取的圖面視圖,不會刪除該折彎表格。
 
- 如果所選板金檔案不包含展開圖或包含使用 DataM 展開在 Inventor 2010 或更早版本中建立的展開圖,不會將該檔案識別為有效的表格資料來源。
 
- 板金材料的折彎表格為指定的材料厚度提供具有特定折彎半徑和折彎角度的折彎裕度值,並且與圖面中的折彎表格無關。
 
沖孔註解
沖孔註記包括與沖孔相關的資料,例如沖孔 ID、沖孔角度、沖孔方向、沖孔深度、數量註記等。可在「標註型式」面板的「註記和引線」頁籤上,設定沖孔註記的預設型式。
建立沖孔表格前,請顯示沖孔中心。沖孔中心由圖面視圖中的中心標記表示。如果您建立視圖式孔表格並選取包括顯示的沖孔中心,則所有可見沖孔中心標記將做為單獨列包括在孔表格中。在圖面視圖中建立相應的標籤。
使用「孔表格」指令來建立沖孔表格。如果適用,請變更「孔表格型式」中的「預設篩選」,以依預設將已恢復的沖孔中心包括在孔表格中。
注意事項:
- 沖孔註記和表格中的沖孔方向由圖面視圖確定。如果在與沖孔註記或表格相關的主視圖中沖孔的「沖孔方向」是「向下」,則在後視圖中同一沖孔的「沖孔方向」是「向上」。
 
- 若要修正舊式沖孔表格的沖孔方向,請將該沖孔表格拖曳至新位置。
 
- 圖面視圖中沖孔特徵的外觀與在模型中選取的表現法相對應。當沖孔特徵在模型中完全成形時,可見的模型邊和隱藏的模型邊都會顯示在圖面視圖中。
 
- 無法從圖面視圖中單獨卸載沖孔中心。移除已恢復沖孔中心的唯一方法是編輯視圖並取消選取「顯示沖孔中心」選項。將刪除貼附到沖孔中心標記的任何註解。
 
- 使用關聯式功能表中的「可見性」選項設定沖孔中心的可見性。若要顯示隱藏的沖孔中心,請選取圖面視圖關聯式功能表中的「展示隱藏的註解」。
 
- 無法移動或旋轉與沖孔中心關聯的中心標記,但是可以透過拖曳單獨重調中心標記延伸線大小。
 
- 當展開圖面視圖顯示沖孔中心時,可加入、移動和刪除中心標記以反映來源板金檔案中的任何變更。
 
- 沖孔特徵草圖中未消耗的沖孔中心不會顯示為已恢復的沖孔中心。
 
- 顯示的沖孔中心的預設格式化由作用中的型式指定。若要編輯沖孔中心型式,請開啟「物件預設型式」面板,並變更「可見簡化表現法」和「隱藏簡化表現法」的設定。
 
折彎和沖孔註解中的對照單位
折彎和沖孔註解可以以對照單位顯示標註值。在「標註型式」的「對照單位」頁籤上設定雙重單位顯示。
若要在折彎或沖孔表格中顯示雙重標註值,請使用「欄選擇器」對話方塊將「對照單位」欄加入至表格。
注意事項: 如果已選取雙重單位格式,精確度與公差值也會以雙重格式顯示。