Blechbauteilanmerkungen in Zeichnungen
So werden Anmerkungen und Tabellen zum Hinzufügen von Biegungs- und Stanzanweisungen verwendet.

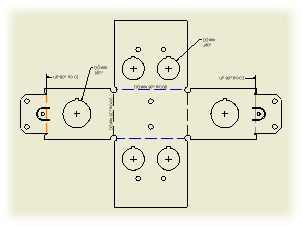
Biegungsanmerkungen
Biegungshinweise enthalten Fertigungsinformationen und können an Biegungsmittellinien von Blechbauteilen hinzugefügt werden. Sie sind mit einer Zeichnungsansicht verknüpft.
Eine Biegungstabelle enthält die Eigenschaften aller Biegungen in der Abwicklungsansicht eines Blechbauteils.
Biegungsbezeichnungen verknüpfen Zeilen in einer Biegungstabelle mit der Ansichtsgeometrie. Nach dem Einfügen der Biegungstabelle in die Zeichnung werden der ausgewählten Zeichnungsansicht automatisch Biegungsbezeichnungen hinzugefügt. Die Formatierung der Biegungsbezeichnungen wird durch den Bemaßungsstil bestimmt. Biegungsbezeichnungen besitzen vorgabegemäß keine Führungslinien. Ziehen Sie den Biegungsbezeichnungstext von seiner ursprünglichen Position, um eine Führungslinie zur Biegungsbezeichnung hinzuzufügen.
Anmerkungen:
- Jede Biegungsmittellinie wird in der Zeichnung als separates Biegungsobjekt behandelt (was Biegungshinweise und Biegungstabellen angeht). Im Blechmodell entspricht die Anzahl der Biegungsmittellinien nicht einzelnen Biegeelementen. (Die Elemente Konturlasche, Konturrolle, Übergangslasche und Falz erstellen mehrere Biegungsmittellinien in einem Vorgang).
- Die Elemente Konturrolle und Dekorative Mittellinie werden automatisch in jeder generierten Biegungstabelle erfasst.
- Konturrollenmittellinien melden keine KFaktor- oder Richtungsinformationen.
- Je nach den während der Erstellung angewendeten Attributen können Dekorative Mittellinien leere Felder erzeugen oder in der benutzerdefinierten Formatierung von Textzeichenfolgen in Biegungstabellen oder -hinweisen resultieren.
- Um die Abfolge der Biegungs-ID zu ändern, öffnen Sie das Blechbauteil, bearbeiten die Abwicklung und ändern die Biegereihenfolge.
- Wenn die Biegereihenfolge geändert wurde, kann die daraus resultierende Abfolge von Biegungs-IDs in einer beliebigen Biegungstabelle einen Sortiervorgang mit der Tabellenbearbeitungsfunktion erfordern.
- Die Biegungsrichtung in der Biegungstabelle entspricht der Biegungsrichtung in der ausgewählten Ansicht. Wenn Sie eine Blechbauteildatei als Quelle für eine Biegungstabelle auswählen, wird die standardmäßige Biegungsrichtung in der Biegungstabelle angezeigt. Wenn Sie die Biegungsrichtung umkehren möchten, klicken Sie mit der rechten Maustaste auf die Spalte Biegungsrichtung, und wählen Sie Richtung umkehren.
- Wenn Sie die Biegungsrichtung in älteren Zeichnungen korrigieren möchten, ziehen Sie den Biegungshinweis oder die Tabelle an eine neue Position.
- Biegungstabellen sind nicht mit einer Zeichnungsansicht verknüpft. Die Biegungstabelle wird nicht gelöscht, wenn Sie die ausgewählte Zeichnungsansicht beim Erstellen der Biegungstabelle löschen.
- Enthält die ausgewählte Blechbauteildatei keine Abwicklung bzw. eine in Inventor 2010 oder einer früheren Version mithilfe des Abwicklungswerkzeugs DataM erstellte Abwicklung, wird die Datei nicht als gültige Tabellendatenquelle erkannt.
- Biegungstabellen für Blechmaterialien liefern Werte für die Biegungszugabe bei bestimmten Biegeradien und Biegungswinkeln für eine gegebene Materialstärke. Sie haben nichts mit Biegungstabellen in Zeichnungen zu tun.
Stanzanmerkungen
Eine Stanzinfo enthält Daten zur Stanzung, z. B. Stanz-ID, Winkel, Richtung, Tiefe, Mengeninfo etc. Der Vorgabestil von Stanzinfos wird auf der Registerkarte Anmerk./Führungslinien in der Gruppe Bemaßungsstil definiert.
Bevor Sie eine Stanztabelle erstellen, stellen Sie die Stanzmittelpunkte wieder her. Die Stanzmittelpunkte werden in der Zeichnungsansicht durch Mittelpunktmarkierungen dargestellt. Wenn Sie eine ansichtsabhängige Bohrungstabelle erstellen und wiederhergestellte Stanzmittelpunkte einschließen, werden alle sichtbaren Stanzmittelpunkte als einzelne Zeilen in die Bohrungstabelle eingeschlossen. Die entsprechenden Bezeichnungen werden in der Zeichnungsansicht erstellt.
Verwenden Sie den Befehl Bohrungstabelle, um eine Stanztabelle zu erstellen. Ändern Sie gegebenenfalls unter dem Bohrungstabellenstil die Standardfilter, damit wiederhergestellte Stanzmittelpunkte vorgabegemäß in die Bohrungstabelle eingeschlossen werden.
Anmerkungen:
- Die Stanzrichtung in Stanzinfos wird durch die Zeichnungsansicht bestimmt. Lautet die Stanzrichtung für eine Stanzung in einer Stanzinfo oder Tabelle zu einer Vorderansicht ABWÄRTS, lautet sie für die gleiche Stanzung in der Rückansicht AUFWÄRTS.
- Wenn Sie die Stanzrichtung in einer älteren Stanztabelle korrigieren möchten, ziehen Sie die Stanztabelle an eine neue Position.
- Die Darstellung von Stanzelementen in der Zeichnungsansicht stimmt mit der im Modell ausgewählten Darstellung überein. Bei vollständig im Modell ausgeformten Stanzelementen werden sichtbare und verdeckte Modellkanten in der Zeichnungsansicht angezeigt.
- Stanzmittelpunkte können nicht einzeln aus der Zeichnungsansicht entfernt werden. Die einzige Möglichkeit zum Entfernen eines wiederhergestellten Stanzmittelpunkts besteht in der Bearbeitung der Ansicht und im Widerrufen der Auswahl der Option Stanzmittelpunkt wiederherstellen. Alle mit Stanzmittelpunkten verknüpften Anmerkungen werden gelöscht.
- Stellen Sie die Sichtbarkeit der Stanzmittelpunkte über die Option Sichtbarkeit im Kontextmenü ein. Zum Anzeigen ausgeblendeter Stanzmittelpunkte wählen Sie im Kontextmenü der Zeichnungsansicht die Option Ausgeblendete Anmerkungen anzeigen.
- Mit Stanzmittelpunkten verknüpfte Mittelpunktmarkierungen können zwar nicht verschoben oder gedreht werden, jedoch lässt sich die Größe der Hilfslinien von Mittelpunktmarkierungen durch Ziehen unabhängig anpassen.
- Wenn Abwicklungsansichten Stanzmittelpunkte anzeigen, werden Mittelpunktmarkierungen hinzugefügt, verschoben und gelöscht, um etwaige Änderungen an der Quelldatei des Blechbauteils widerzuspiegeln.
- Nicht einbezogene Stanzmittelpunkte in der Stanzelementskizze werden nicht als wiederhergestellte Stanzmittelpunkte angezeigt.
- Die Standardformatierung für wiederhergestellte Stanzmittelpunkte wird durch den aktiven Stil bestimmt. Um den Stanzmittelpunktstil zu bearbeiten, öffnen Sie das Fenster Objektstandardstil und ändern die Einstellung für Sichtbare vereinfachte Darstellung und Verborgene vereinfachte Darstellung.
Alternative Einheiten in Biege- und Stanzanmerkungen
Biege- und Stanzhinweise können Bemaßungswerte in alternativen Einheiten anzeigen. Legen Sie die Zweiteinheitsanzeige auf der Registerkarte Alternative Einheiten des Bemaßungsstils fest.
Wenn Sie duale Bemaßungswerte in einer Biegungs- oder Stanztabelle anzeigen möchten, fügen Sie der Tabelle im Dialogfeld Spaltenauswahl Spalten vom Typ Alternative Einheit hinzu.
Anmerkung: Wenn das Zweiteinheitsformat ausgewählt ist, werden die Genauigkeits- und Toleranzwerte auch im Zweitformat angezeigt.