在本活动中,您将使用导线连接所有元件,以制作完整且适当的电路。

在原理图设计中的元件之间创建网络。
单击“设计”>“连接”>“网络”
。
单击电阻器 1 (R1) 的下部引脚以开始连接。绿色圆圈将指示您位于引脚的连接点。

将指针移动到电阻器 2 (R2) 的上部引脚,当您看到绿色圆圈时单击以创建连接。您可以看到网络显示为一条绿色线,它自引脚起跟随指针。

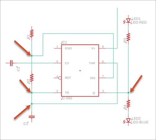
添加其余网络,如下图所示。确认在箭头指示的四个位置处有一个实心绿色圆来指示网络中的连接点。当在现有网络上终止网络时,会自动创建它们。

在本活动中,您定义了电路板上的元件连接在一起的方式。

在原理图设计中使用导线连接的回路。