在本活动中,您将添加电源、电压、地线和端子引脚。尽管电路板上的元件在原理图上连接在一起,但没有电源。端子引脚将通过电池为电路板供电,使回路能够正常工作。

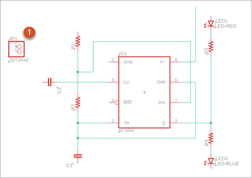
原理图设计中没有电源、地线和电压的回路。
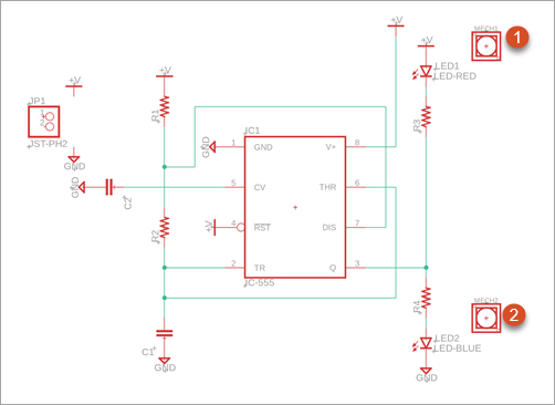
将电池连接器 JSTPH2 添加到原理图。
单击“设计”>“放置”>**“放置元件”**
。
在“教程 - Fusion”库中,双击 JSTPH2 元件,然后将指针移动到画布中。
将电池连接器放置在下图所示的位置。

单击“完成”或按 Esc 键以退出放置模式并返回到“放置元件”面板。
将五个地线添加到原理图。
在“教程 - Fusion”库中,双击“GND”并在画布上移动指针。
将五条地线放置在如下图所示的位置。在必要时单击鼠标右键旋转符号。

在第一次放置后,单击“确定”以接受“值”对话框中的名称 GND。
单击“完成”或按 Esc 键以退出放置模式并返回到“放置元件”面板。
将五个电压符号添加到原理图。
在“教程 - Fusion”库中,双击“+V”,然后在画布上移动指针。
将五个电压符号放置在如下图所示的位置。在必要时单击鼠标右键旋转符号。
对于第一个放置,单击“确定”以接受“值”对话框中的名称“+V”。
当系统提示更改网络的名称时,接受名称更改。

单击“完成”或按 Esc 键以退出放置模式并返回到“放置元件”面板。
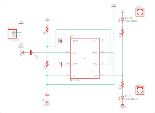
将两个灯管添加到原理图。
在“教程 - Fusion”库中,搜索 VLP。
将 VLP-300-R/F 拖放到画布中。
将两个灯管放置在如下图所示的位置。

单击“完成”或按 Esc 键以退出放置模式并返回到“放置元件”面板。
在引脚头、地线和电压符号之间添加网络。
单击“设计”>“连接”>“网络”
。
单击“端子 1”以显示 V+ 符号。
单击“端子 2”以显示 GND 符号。

在本活动中,您定义了电路获取电源的方式,以及电压和地线的位置。

原理图设计中已完成的回路。