Bei dieser Aktivität führen Sie folgende Aufgaben aus:
Platzieren einer Detailansicht
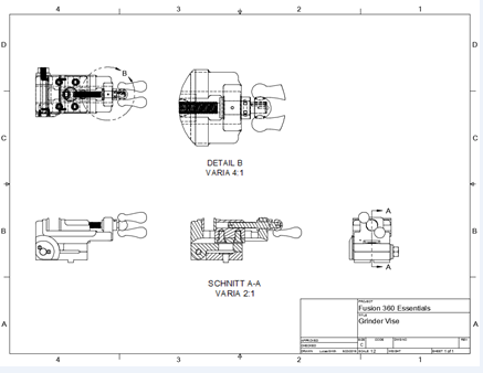
Eine Detailansicht ist eine Projektionsansicht, die einen bestimmten Teil der Ansicht in größerem Maßstab zeigt.
Wählen Sie im Werkzeugkasten Erstellen die Option Detailansicht aus.

Der Befehl Detailansicht befindet sich in der Dropdown-Liste Erstellen.
Wählen Sie die obere Projektionsansicht als die übergeordnete Ansicht.
Verwenden Sie den Fangpunkt am Hals als Mittelpunkt für die Detailbegrenzung (wie in der folgenden Abbildung gezeigt).
Klicken Sie erneut, um die Größe der Detailansichtsbegrenzung anzugeben. Stellen Sie sicher, dass der gesamte kleine Knopf innerhalb der Ansichtsbegrenzung liegt (wie in der folgendem Abbildung gezeigt).

Detailansichtsbegrenzung
Klicken Sie, um die Ansicht über der Schnittansicht zu platzieren.
Klicken Sie auf OK, um die Detailansicht zu generieren.

Zeichnung mit Erstansicht, Projektions-, Schnitt- und Detailansicht
Ändern Sie den Stil der oberen Projektionsansicht und der Detailansicht.
Doppelklicken Sie auf eine beliebige Stelle innerhalb der Auswahlbegrenzung der oberen Projektionsansicht, um sie zu aktivieren.
Wählen Sie im Dialogfeld Zeichnungsansicht die Option Sichtbare und verdeckte Kanten aus den Optionen unter Stil aus, um verdeckte Linien in dieser Ansicht anzuzeigen.

Dialogfeld Zeichnungsansicht
Klicken Sie auf Schließen, um die Änderungen der Zeichnungsansicht zu übernehmen.

Zeichnung mit Erstansicht, Projektions-, Schnitt- und Detailansicht
Bei dieser Aktivität haben Sie folgende Aufgaben ausgeführt: