このアクティビティでは、すべてのコンポーネントをワイヤで接続して、適切な完成回路を作成します。

回路図デザインのコンポーネント間でのネットの作成。
[デザイン] > [接続] > [ネット]
をクリックします。
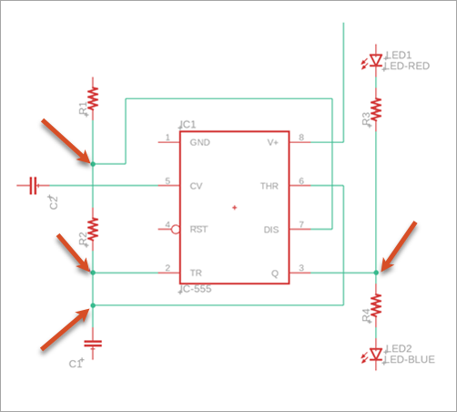
抵抗器 1 (R1)の下部のピンをクリックして、接続を開始します。緑色の円は、そこがピン接続点であることを示します。

抵抗器 2 (R2)の上部のピンにポインタを移動し、緑色の円が表示されたらクリックして接続を作成します。ピンからポインタを追うように緑色の線でネットが表示されていることがわかります。

次の図に示すように、残りのネットを追加します。矢印で示される 4 つの位置に、ネットの接合部を示す無地の緑色の円があることを確認します。これらは、既存のネット上でネットを終了すると自動的に作成されます。

このアクティビティでは、回路基板上のコンポーネントを接続する方法を定義しました。

回路図デザインでワイヤが接続されている回路。