チュートリアル: 回路図デザインを作成する

電子デザイン プロセスは、回路図デザインとプリント基板(PCB)レイアウトの 2 つの異なるデザイン段階に分かれています。回路図デザインは、電子回路の論理的表現として機能します。すべてのコンポーネントを接続する方法は定義しますが、回路基板に物理的に配置する方法は定義しません。

このチュートリアルでは、プロセスの回路図デザイン部分に取り組み、次のことを行います。

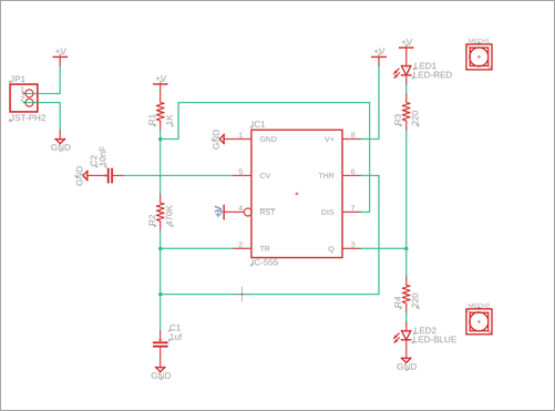
回路図

ダブル LED 点滅回路の回路図デザイン。

前提条件