Share
 
 

Annotation options

The annotation is the dimension text :

Use the Annotation page to change the annotation options:

Style — Select a line style from the list

Font — Select the font to be used for the annotation.

Embedded text — Select this option to embed the text in the leader line.

Horizontal text — Select this option to change all text so that it is positioned horizontally to the principal plane.

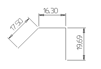
Suppose dimensions are angled as shown below:

When text is changed to horizontal, the dimensions look like:

Gap ratio — Edits the gap between the leader and the text:

  • If Horizontal text is set, the gap ratio is as shown below:

  • If Embedded text is set, the gap ratio is:

Fractions — Converts the decimal part of the dimension into a fraction, by default to the closest eighth.

Fraction denominator — Sets the fraction denominator to a particular value. This is useful if you want to compare dimension values.

Character height — Edits the height of the text.

Pitch — This sets the amount of space between the characters.

Proportional characters — (DUCT font only) When selected, the space occupied by each character is not fixed.

Angle Format — Changes how an angular dimension is displayed. You can choose the Angle Format to display all angle dimensions as one of the following:

  • Decimals
  • Degrees
  • Degrees - Minutes
  • Degrees - Minutes - Seconds

Decimal places — Decimal places are the number of digits printed after the decimal point. By default, the numbers are printed to two decimal places.

Remove trailing zeros — Select this option to remove any trailing zeros, after the decimal point, from the dimension annotation. This option is deselected by default.

Multi-part Dimension Options — The following options are for basepoint, chain and ordinate dimensions:

  • Basepoint leader gap — This is the distance between the leader and the text for base-point dimensions.
  • Centred text — Select this option to centre the text on the leader line. Deselect this option to enter a position to specify where the text lies on the leader.

Was this information helpful?