En el espacio de trabajo Dibujo de Fusion, puede utilizar las herramientas del panel Símbolos de la barra de herramientas para añadir símbolos GD&T a planos de un dibujo a medida que se documenta el diseño.
Puede utilizar las siguientes herramientas para añadir símbolos GD&T a un plano:
La herramienta Acabado superficial enlaza las texturas de superficie a objetos, cotas existentes o símbolos de rectángulo de tolerancia existentes.
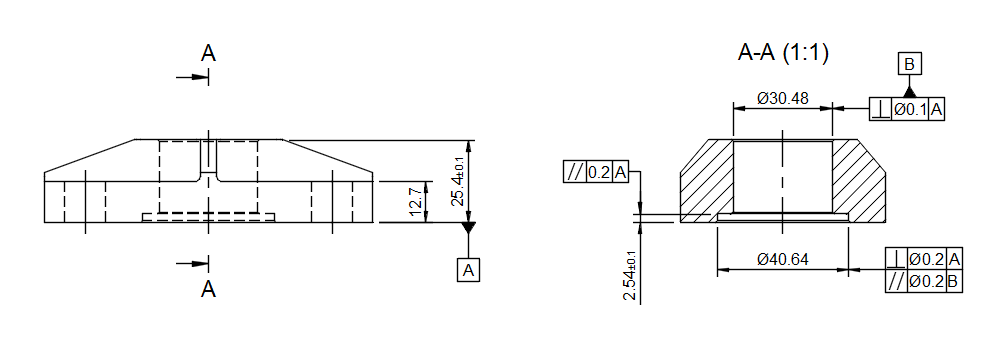
La herramienta rectángulo de control de tolerancia crea un marco rectangular que se divide en dos o más secciones. Se puede enlazar a notas, cotas lineales, de diámetro, de radio y angulares, y al texto de estas anotaciones.
La herramienta identificador de referencia crea un símbolo de identificador de referencia para identificar una operación de referencia para un símbolo de rectángulo de tolerancia.
La herramienta Soldadura crea un símbolo de soldadura.
La herramienta Ángulo e inclinación crea un símbolo de ángulo e inclinación.
La herramienta Símbolo de arista crea un símbolo de arista. Los símbolos de arista especifican requisitos relacionados con el procesamiento y el acabado de aristas específicas, e indican el tipo de arista y sus detalles con un tamaño y una dirección definidos o no definidos.
La herramienta Símbolo de boceto permite crear e insertar símbolos de boceto personalizados en un dibujo o una plantilla. Puede importar los símbolos de boceto desde otro dibujo o archivos de plantilla. Coloque símbolos de boceto con directrices y contadores alfanuméricos o alfanuméricos automáticos, ideales para crear notas de etiqueta, burbujas de inspección, referencias numéricas personalizadas o símbolos de referencia parcial de estilo ISO/DIN 5459.


Para añadir tolerancias geométricas a un dibujo, puede generar rectángulos de tolerancia, identificadores de referencia y acabados superficiales, y enlazarlos a un objeto. Después de crear un símbolo GD&T, permanece asociado al objeto asignado.
La norma de dibujo (ASME o ISO) define el comportamiento y las características de cada símbolo. Especifique la norma de dibujo antes de crear el dibujo. Algunas propiedades y características de los símbolos, incluidos los caracteres especiales que se muestran en la paleta Símbolo, se definen mediante la norma de dibujo en uso.
Puede enlazar rectángulos de tolerancia a componentes del modelo y a cotas existentes. Las ID de referencia y los acabados superficiales se pueden asociar a componentes, cotas y rectángulos de tolerancia.
Para volver a asociar símbolos disociados a aristas y superficies, haga clic en el icono de Monitor de anotación
y pulse el botón Reasociar o en cualquier lugar del área resaltada en azul.

Fusion recuerda los últimos parámetros utilizados de los símbolos Acabado superficial, Rectángulo de tolerancia, Soldadura y Ángulo e inclinación. Cuando coloque el símbolo con todos los parámetros deseados rellenados, puede seguir añadiendo el símbolo sin tener que rellenar los mismos parámetros.
Si no desea utilizar los últimos parámetros utilizados, haga clic en el botón Restablecer. Borra todos los parámetros utilizados anteriormente.
Si desea reutilizar un símbolo ya utilizado y sus parámetros, pero ha eliminado todos los parámetros utilizados anteriormente, o ha colocado un símbolo con parámetros diferentes de los que desea reutilizar, haga doble clic en el símbolo que desea reutilizar. Se abre el cuadro de diálogo de Símbolo y se convierten estos atributos en los últimos utilizados. Después de cerrar el cuadro de diálogo, puede seguir añadiendo el símbolo sin tener que rellenar los mismos parámetros.
