Nell'area di lavoro Disegno in Fusion, è possibile utilizzare gli strumenti nel pannello Simboli della barra degli strumenti per aggiungere simboli GD&T a fogli in un disegno durante la documentazione della progettazione.
Per aggiungere simboli GD&T ad un foglio è possibile utilizzare i seguenti strumenti:
Lo strumento Stato della superficie consente di associare stati della superficie ad oggetti, quote esistenti o simboli del riquadro di controllo della geometria esistente.
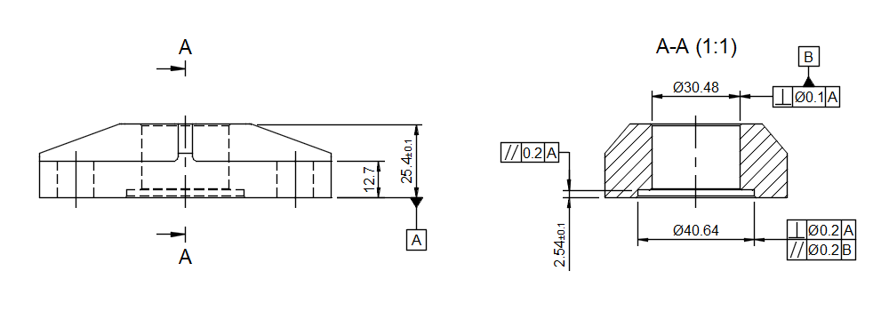
Lo strumento Riquadro di controllo della geometria consente di creare un riquadro rettangolare diviso in due o più sezioni. Può essere associato a note, quote lineari, diametro, raggio e angolari e al testo di tali annotazioni.
Lo strumento Identificatore riferimento consente di creare un simbolo dell'identificatore del riferimento per identificare un elemento di riferimento per un simbolo del riquadro di controllo della geometria.
Lo strumento Saldatura crea un simbolo di saldatura.
L'utensile Rastremazione e inclinazione crea un simbolo di rastremazione e inclinazione.
Lo strumento Simbolo spigolo crea un simbolo di spigolo. I simboli di spigolo specificano i requisiti di lavorazione e finitura di spigoli specifici e indicano il tipo di spigolo e i relativi dettagli con dimensione e direzione definite o non definite.
L'utensile Simbolo di schizzo consente di creare e inserire simboli di schizzo personalizzati in un disegno o template. È possibile importare i simboli di schizzo da un altro disegno o file di template. Associare simboli di schizzo a direttrici e Alfa automatico o contatori numerici, ideali per le note di flag, le bolle di ispezione, i numeri di riferimento personalizzati o i simboli di riferimento parziale in stile ISO/DIN 5459.


Per aggiungere una tolleranza geometrica ad un disegno, è possibile generare riquadri di controllo della geometria, identificatori dei riferimenti e stati della superficie e associarli ad un oggetto. Dopo aver creato un simbolo GD&T, questo rimane associato all'oggetto assegnato.
La norma di disegno (ASME o ISO) definisce il funzionamento e le caratteristiche di ciascun simbolo. Specificare le norme di disegno prima di creare il disegno. Alcune proprietà e caratteristiche dei simboli, inclusi i caratteri speciali visualizzati nella tavolozza Simbolo, sono definiti dalla norma di disegno in uso.
È possibile associare i riquadri di controllo della geometria ai componenti del modello e alle quote esistenti. Gli ID di riferimento e gli stati della superficie possono essere associati a componenti, quote e riquadri di controllo della geometria.
Riassociare i simboli dissociati a spigoli e superfici facendo clic sul contrassegno Controllo annotazioni
e facendo clic sul pulsante Riassocia o in un punto qualsiasi all'interno dell'area evidenziata in blu.

In Fusion sono memorizzate le ultime impostazioni utilizzate dei simboli Stato della superficie, Riquadro di controllo della geometria, Saldatura e Rastremazione e inclinazione. Dopo aver posizionato il simbolo con tutte le impostazioni desiderate compilate, è possibile continuare ad aggiungere il simbolo senza dover compilare le stesse impostazioni.
Se non si desidera utilizzare le ultime impostazioni utilizzate, fare clic sul pulsante Ripristina. Tutte le impostazioni utilizzate in precedenza verranno eliminate.
Se si desidera riutilizzare un simbolo già utilizzato e le relative impostazioni, ma tutte le impostazioni utilizzate in precedenza sono state eliminate o è stato posizionato un simbolo con impostazioni diverse da quelle che si desidera riutilizzare, fare doppio clic sul simbolo che si desidera riutilizzare. Viene aperta la finestra di dialogo Simbolo e queste impostazioni vengono definite come le ultime utilizzate. Dopo aver chiuso la finestra di dialogo, è possibile continuare ad aggiungere il simbolo senza dover compilare le stesse impostazioni.
