Inventor 2024 新增功能

瞭解 Autodesk Inventor 最新版本的新功能。

2024.3

瞭解 Autodesk Inventor 最新版本的新功能。如需技術詳細資料,請參閱發行說明

2024.2

瞭解 Autodesk Inventor 最新版本的新功能。如需技術詳細資料,請參閱發行說明

2024.1

瞭解 Autodesk Inventor 最新版本的新功能。如需技術詳細資料,請參閱發行說明

2024

Autodesk Inventor 2024 具備客戶驅動的更新和增強功能,可協助您加快設計工作流程、減少重複工作,並改善體驗,讓您將更多時間專注於設計和創新。如需技術詳細資料,請參閱發行說明

組合

零件

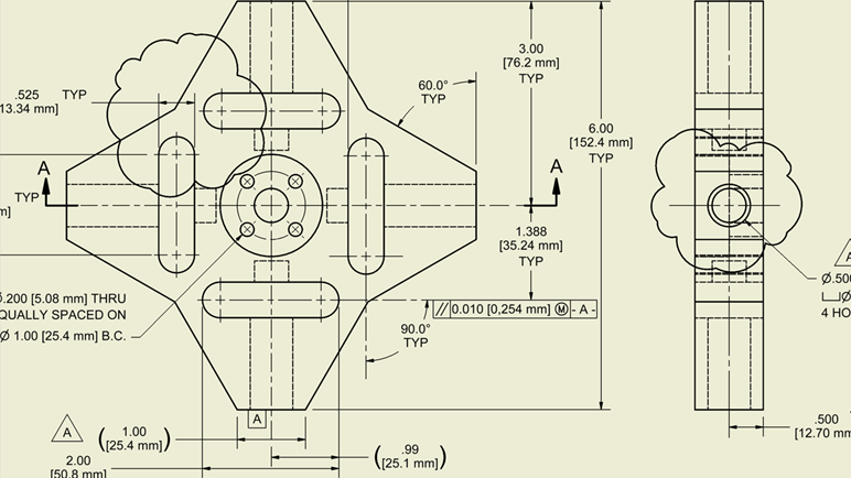
圖面

草圖

一般

互通性

轉換器