Fusion の [図面] 作業スペースでは、ツールバーの [記号] パネルのツールを使用して、デザインのドキュメント化を行う際に図面内のシートに GD&T 記号を追加できます。
次のツールを使用して、シートに GD&T 記号を追加することができます。
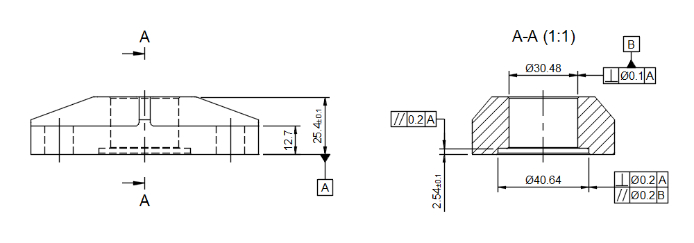
[面の指示記号] ツールは、面の指示記号をオブジェクト、既存の寸法、または既存の幾何公差記号にアタッチします。
[幾何公差記号] ツールは、複数の領域に分割された長方形の枠を作成します。注記、長さ寸法、直径寸法、半径寸法、角度寸法、およびこれらの注釈の文字にアタッチできます。
[データム ID] ツールは、幾何公差記号のデータム フィーチャを識別するためのデータム ID 記号を作成します。
[溶接] ツールは、溶接記号を作成します。
[テーパと勾配] ツールを使用すると、テーパと勾配記号が作成されます。
[エッジ記号] ツールは、エッジ記号を作成します。エッジ記号は、特定のエッジの処理と仕上げに関する要件を指定し、エッジのタイプとその詳細(サイズと方向が定義済みまたは未定義であるかどうか)を示します。
スケッチ記号ツールを使用すると、図面やテンプレートにカスタマイズされたスケッチ記号を作成および挿入できます。別の図面ファイルやテンプレート ファイルからスケッチ記号をインポートすることもできます。引出線や自動の英数字カウンタ付きで記号を添付でき、フラグ注記、検査バブル、カスタム バルーン、または ISO/DIN 5459 形式のデータム ターゲット記号などに最適です。


図面に幾何公差を追加するため、幾何公差記号、データム ID、および面の指示記号を生成し、オブジェクトにアタッチすることができます。GD&T 記号を作成した後でも、割り当てられているオブジェクトに関連付けられたままになります。
製図規格(ASME または ISO)によって、各記号の動作と特性が定義されています。図面を作成する前に、製図規格を指定します。一部の記号のプロパティと特性は、記号パレット内に表示される特殊文字を含めて、使用中の製図規格によって定義されます。
幾何公差記号をモデルのコンポーネントや既存の寸法にアタッチすることができます。データム ID および面の指示記号を、コンポーネント、寸法、および幾何公差記号にアタッチできます。
割り当て解除された記号をエッジとサーフェスに再割り当てするには、 [注釈モニター] バッジ
をクリックして、 [再割り当て] ボタンをクリックするか、青色で強調表示されている領域内の任意の場所をクリックします。

Fusion は、面の指示記号、幾何公差記号、溶接、およびテーパと勾配の各記号の最後に使用した設定を記憶します。目的の設定がすべて入力された状態で記号を配置したら、同じ設定を入力しなくても、続けて記号を追加できます。
最後に使用した設定を使用しない場合は、[リセット]ボタンをクリックします。以前に使用されたすべての設定がクリアされます。
既に使用されている記号とその設定を再利用する際に以前に使用した設定がすべてクリアされている場合や、再利用する記号とは異なる設定を使用して記号が配置されている場合は、再利用する記号をダブルクリックします。これにより、 [記号] ダイアログが開き、その設定が最後に使用された設定になります。ダイアログを閉じた後も、同じ設定を入力しなくても、続けて記号を追加できます。
