Transfer nodes allow you to model the flow of water between your network and other networks. The flow through the node can be set as a constant value, entered as a profile or linked to a live data point. This stage demonstrates the effect of changing the flow profile.
To change the flow profile for a transfer node:
- Open the 'Newtown Controls Example' network.
- Open the Controls Base Control and associate it with the network to edit it.
- Zoom in on the transfer node (K470029), which is in the south of the network.
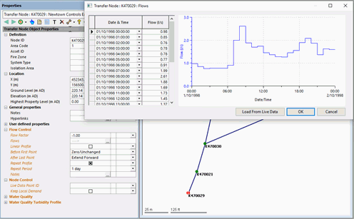
- Display the properties for the transfer node:
- In the Flow Control section, the Flow Factor is shown as -1.00, indicating that water is exported from the network. (A positive value would indicate that water was imported into the network.)
- Opening the
Flows properties shows the flow out of the network at hourly intervals. The flow rate specified for any time is linearly interpolated.
- Change the profile for the peak flow period:
- Change the flow at 06:00 to 1.21 l/s, at 07:00 to 2.09 l/s and at 08:00 to 2.91 l/s.
- Click OK to close the Properties dialog.
- Change the flow at 06:00 to 1.21 l/s, at 07:00 to 2.09 l/s and at 08:00 to 2.91 l/s.
- Commit the control data leaving a comment 'Controlling Transfer Node Flow'. Close the GeoPlan view.
- Run a simulation:
- Open the 'Pump Control 2' run from the Newtown Control Simulations group.
- In the Run Title box, change the title to 'Transfer Node Flow Control'.
- Drag the 'Controls Transfer Example' control item into the Control box.
- Click Run Simulations.
- When the simulation is complete, click the
(Close dialog) button.
- Compare the simulation results with the previous version:
- Open the simulation from the 'Transfer Node Flow Control' run.
- Select the pipe upstream of the transfer node.
- Select Results | Graph reports | Simulations(s) report.
- Drag the Controls Pump Example 2 simulation from the Pump Control 2 run into the Sim box (adding it to the current simulation).
- Click Produce Graphs.
- Select Group by Location for the display.
- Select Link for the location.
- Select
Flow for the quantities.
- Click OK.
- A graph is displayed.
This shows the flow out of the network varying between 6am and 8am.
- Close all views.
