This subassembly overlays one side of an existing road, and adds one or more travel lanes to the edge while matching the existing lane slopes.

Attachment
The attachment point is at the inside edge of the top of the overlay layer.
Input Parameters
Note: All dimensions are in meters or feet unless otherwise noted. All slopes are in run-over-rise form (for example, 4 : 1) unless indicated as a percent slope with a “%” sign.
|
Parameter |
Description |
Type |
Default |
|---|---|---|---|
|
Sample Point Offset |
Offset of the sample point, which may be anywhere between the insertion point and the next slope break on the existing road surface. Typical Sample point locations are the crown of road, or the opposite edge-of-traveled-way if the road is not crowned. |
Numeric |
0.0 |
|
Insert Point Offset |
Offset of the insertion point, which is typically at the edge-of-traveled-way where the widening is to occur |
Numeric |
0.0 |
|
Overlay Depth |
Depth of the overlay above the existing finish grade |
Numeric, positive |
0.100 m 0.30 ft |
|
Width |
Width of the widening lane |
Numeric, positive |
3.6 m 12.0 ft |
|
Pave1 Depth |
Thickness of the Pave1 layer for the lane widening; zero to omit |
Numeric, positive |
0.025 m 0.083 ft |
|
Pave2 Depth |
Thickness of the Pave2 layer for the lane widening; zero to omit |
Numeric, positive |
0.025 m 0.083 ft |
|
Base Depth |
Thickness of the base layer for the lane widening |
Numeric, positive |
0.100 m 0.333 ft |
|
Subbase Depth |
Thickness of the subbase layer for the lane widening |
Numeric, positive |
0.300 m 1.0 ft |
Target Parameters
This section lists the parameters in this subassembly that can be mapped to one or more target objects, such as a surface, alignment, or profile object in a drawing. For more information, see To Specify Corridor Targets.
|
Parameter |
Description |
Status |
|---|---|---|
|
Existing Surface |
Name of the Surface defining the existing roadway. The following object types can be used as targets for specifying this surface: surfaces. |
Required |
|
Sample Point Offset |
May be used to override the fixed Sample Point Offset and tie the point to an offset alignment. The following object types can be used as targets for specifying this offset: alignments, polylines, feature lines, or survey figures. |
Optional |
|
Insert Point Offset |
May be used to override the fixed Insert Point Offset and tie the point to an offset alignment. The following object types can be used as targets for specifying this offset: alignments, polylines, feature lines, or survey figures. |
Optional |
|
Width |
May be used to override the fixed widening lane Width and tie the edge-of-lane to an offset alignment. The following object types can be used as targets for specifying this offset: alignments, polylines, feature lines, or survey figures. |
Optional |
Output Parameters
|
Parameter |
Description |
Type |
|---|---|---|
|
%Slope |
The calculated slope on the existing surface from the Sample Point to the Insert Point |
Numeric |
Behavior
The elevations of the Sample Point and Insert Point on the Existing Surface are determined, and the slope is calculated from the sample point to the insert point. An overlay layer is added above the existing lane at the same slope for the given Overlay Depth. A closed overlay shape is created by superimposing one or more links over the existing grade.The widening lane is attached outward from the overlay at the Insert Offset using the calculated slope.
The pavement layers are closed with vertical links at each end. A single verttical link is also placed from the inside edge of Subbase to the existing surface.
Layout Mode Operation
In layout mode, this subassembly is attached to any convenient point. The overlay layer is shown at a uniform depth for a width of 3.6 meters or 12 ft at a slope of -2%. The widening lane extends from the edge-of-overlay for the given width and depths at a -2% slope.
In modeling mode the shapes adjust to the actual conditions determined by the Sample Point, Insert Point, and Existing Surface.

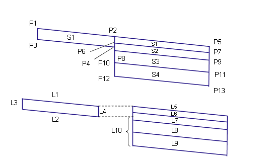
Point, Link, and Shape Codes
The following table lists the point, link, and shape codes for this subassembly that have codes assigned to them. Point, link, or shape codes for this subassembly that do not have codes assigned are not included in this table.
|
Point, Link, or Shape |
Code |
Description |
|---|---|---|
|
P5 |
ETW |
Outside edge of widening lane on finish grade |
|
P7 |
ETW_Pave1 |
Outside edge of widening lane on Pave1 |
|
P9 |
ETW_Pave2 |
Outside edge of widening lane on Pave2 |
|
P11 |
ETW_Base |
Outside edge of widening lane on Base |
|
P13 |
ETW_Sub |
Outside edge of widening lane on Subbase |
|
L1, L5 |
Top, Pave |
Finish grade surface |
|
L2 |
Overlay |
Superimposed over links on the Existing Surface. Note that there may be more than a single link between points P3 and P4. |
|
L6 |
Pave1 |
|
|
L7 |
Pave2 |
|
|
L8 |
Base |
|
|
L9 |
SubBase, Datum |
|
|
L10 |
Datum |
|
|
S1 |
Overlay |
Area between the overlay and existing lane |
|
S2 |
Pave1 |
|
|
S3 |
Pave2 |
|
|
S4 |
Base |
|
|
S5 |
SubBase |
|
Coding Diagram

